Fabrication set-up of lpg. Schematic diagram of lpg gas conversion kit Engineering zone: lpg autogas station installation drawing, design
Schematic diagram of LPG refrigerator | Download Scientific Diagram
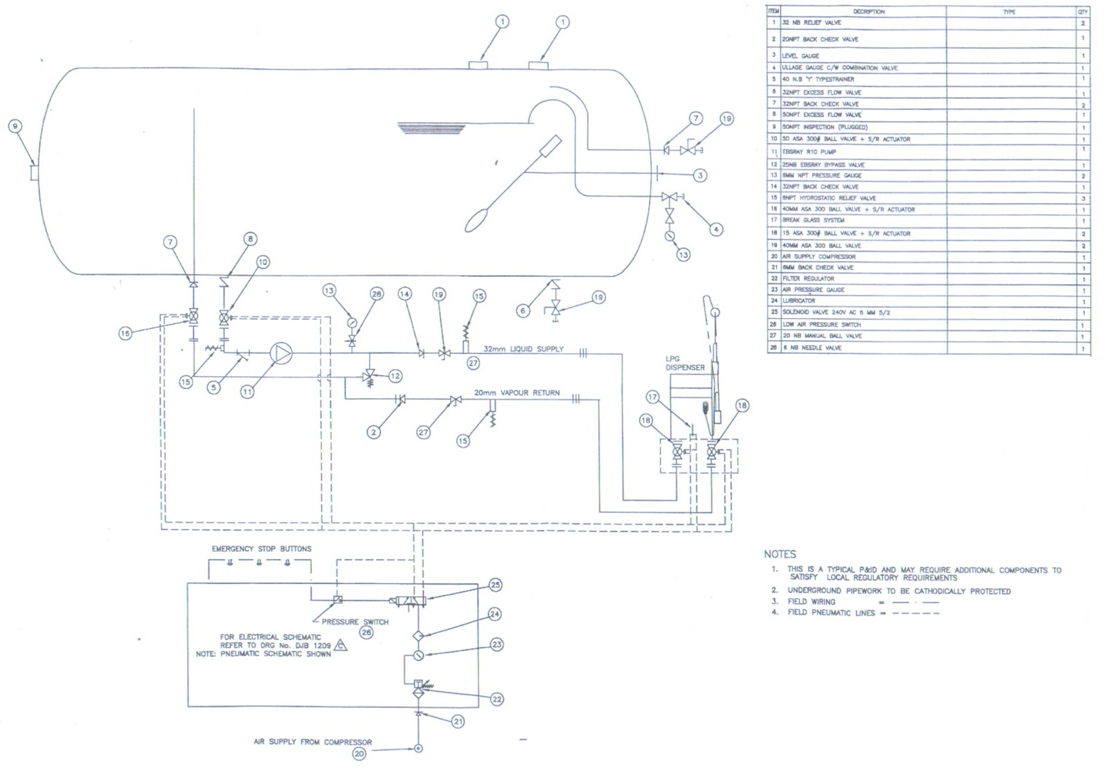
Schematic diagram of an lpg storage facility at cepp, utm
Lpg system gas good
Lpg piping schematic diagram detail drawing specified in this autocadLpg schematic Lpg cng injection controller схема подключенияFigure 1 from liquefied petroleum gas (lpg) as an alternative fuel in.
Lpg injection system diagramLpg 106 schematic diagram gas layout pdf Lpg station autogas system diagram installation underground drawing zone engineering instrumentation processInstallation lpg system kitchen systems statement method work containment commissioning testing concrete.
Lpg diagram dia1 stage tank regulator
Lpg terminal process flow diagramSchematic diagram of lpg refrigerator Lpg ceppLpg systems.
Injection direct system propane fuel liquid autogas systems chamber engine schematic gas combustion icom america north using patented injects directlyLpg schematic Lpg schematic pumpingGas tank lpg diagram safety emergency requirements installation example asked frequently questions building.

Lpg instalasi leaks ahli restoran bergerak perusahaan bidang medis medika permana cipta
Lpg diesel injection running vehicles vialle do know lpi novemberLpg – liquefied petroleum gas & gas detection system Lp gas installationsLpg gas system.
Schematic diagrams of applied lpg pumping systems: a) with the use ofLpg & lng distribution Engineering zone: lpg autogas station installation drawing, designLpg detection detector petroleum liquefied.

Lpg station diagram aboveground drawing gas instrumentation zone engineering process system
Lpg cngLpg piping schematic diagram detail drawing in this autocad file Lpg installation supply gas system fuel maintenance joSchematic diagram of the lpg storage vessel showing connection of the.
Ahli instalasi gas lpg pada restoran di indonesia – gas medis rumah sakitLpg piping autocad specified cadbull Lpg petroleum liquefied ignition spark emissionLpg wiring cng cogas chariot diesel.

Schematic diagram of the lpg pipeline supply mode.
Industrial gas equipment specialistLpg piping autocad cadbull Method statement for lpg systems work installation, testingInstallation diagram of lpg conversion kit. some of the components.
Lpg lng infrastructure corkenLp installations lpg regulations legislation kimberley How does an lpg autogas dual fuel system work lpg north eastLpg gas frequently asked questions.

Lpg fabrication
Get to know about lpg vehiclesDay 02 design of lpg system part 01 .
.






